http://tipribor.by/katalog/roboty/promyshlennye-mini-roboty
Промышленные универсальные мини роботы серий AD, FR, TR, SD, SA предназначены для выполнения различных операций, таких как сборка, сортировка, паллетирование, нарезание резьбы, перемещения горячих предметов, упаковка, наклейка этикеток, считывание штрих-кодов, полировка, шлифовка, сварка, прессование и др.
Промышленные универсальные мини роботы серий AD, FR, TR, SD, SA используются в различных отраслях промышленности: радиоэлектронной, производства часов, кондитерской, фармацевтической и др.
Имеют малые габариты и вес, настольное или подвесное исполнение.
Состав мини робота

Пульт управления, Контроллер, Манипулятор
3-х, 4-х осевые мини роботы серий AD и TR

Особенности:
Настольное исполнение для серий AD и TR.
Подвесное исполнение для серии FR
Вид: Scara
Количество осей:
AD, FR4 - 4 (XYZ и Theta – поворот инструмента или детали)
TR – 3 (XYZ)
Максимальное доступное расстояние в горизонтальной плоскости: 200…1000 мм
Точность/повторяемость: +0,01 мм/+0,005о
Максимальная грузоподъемность: 5…20 кг
Вес: 11…40 кг
Контроллер обеспечивает управление четырьмя осями робота одновременно в реальном времени
6-ти осевые мини роботы серии SD

Настольное исполнение
Вид: вертикальный многоцелевой
Количество осей робота: 6
Максимальное доступное расстояние в горизонтальной плоскости: 500…700 мм
Грузоподъемность: 5 кг
Точность \ повторяемость: +0.02 мм
Вес манипулятора: 26…28 кг
Промышленный 6-ти осевой робот серии SA

Манипулятор, Контроллер и пульт управления
Область применения:
- электродуговая сварка
- резка
- обработка материалов
Особенности:
- Настольное исполнение:
- Вид: вертикальный многоцелевой
- Количество осей робота: 6
- Область обработки: 1400 мм
- Грузоподъемность: 6 кг
- Вес манипулятора: 143 кг
- Точность \ повторяемость: +0.05 мм
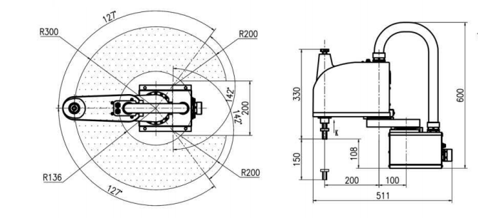
Траектории перемещения 4-х осевого манипулятора и габариты для модели AR 3215

Траектории перемещения 4-х осевого манипулятора и габариты для модели AR 10130

Траектории перемещения 6-ти осевого манипулятора и габариты для модели SD500

Подробные технические характеристики по запросу: E-mail: testinterpribor@mail.ru